Jiangsu Gongtang Chemical Equipments Co., Ltd. Jiangsu Gongtang
  • 
  • ホーム
  • 当社について+
    • 会社紹介
    • 会社見学
    • 認定証
    • 展示会
  • 製品+
  • サービスとサポート
  • 産業
  • プロジェクト事例
  • お問合せ
  • ビデオ
  • ホーム
  • 製品
  • グラスライニング反応機
  • グラスライニング反応機、クローズタイプ
グラスライニング反応機、クローズタイプ
グラスライニング反応機(4柱ラック付き)

グラスライニング反応機、クローズタイプ

耐食性に優れたクローズタイプガラスライニング反応機:蓋と本体が完全溶接により一体化

クローズタイプガラスライニング反応機は、優れた耐食性と耐久性が強く求められる化学、石油化学、医薬品、染料、食品、農薬産業などの幅広い分野で採用されています。過酷なプロセス条件下でも、高い耐食性、確かな安定性、そして信頼性の高い運転性能を維持し、様々な生産工程を支えます。

  • 容量範囲: 3,000~5,000L
  • 最大圧力: 最大10バー
  • 動作温度範囲: -20°C ~ 200°C
  • 規格: JIS / CE / ASME / GB
見積もりの請求
グラスライニング反応機、クローズタイプ
30,000L大型グラスライニング反応機、クローズタイプ(4本柱ラック&クイックオープンマンホール付き)
グラスライニング反応機、クローズタイプ
3,000Lグラスライニング反応機、クローズタイプ(クイックオープン蓋付き)
グラスライニング反応機、クローズタイプ
20,000Lグラスライニング反応機(タイ輸出仕様)
グラスライニング反応機、クローズタイプ
グラスライニング反応機(非標準仕様・二箇所マンホール付き)
グラスライニング反応機、クローズタイプ
グラスライニング反応機(四柱架台・水平ギヤモーター付き)
グラスライニング反応機、クローズタイプ
グラスライニング反応機(四柱架台・クイックオープン式マンホール・補強フランジ付き)
グラスライニング反応機、クローズタイプ
12,500Lグラスライニング反応機(水平減速機・四柱架台付き)
グラスライニング反応機、クローズタイプ
10,000Lグラスライニング反応機(垂直減速機付き)

当社のGL反応機は、加熱または冷却用ジャケットを標準装備し、撹拌機による効率的な混合を実現。これにより、多様なプロセスの効率的な混合と安定した制御が可能です。ヘッド部には溶接ネックフランジを採用し確実な接続を確保します。さらに、高品質な輸入エナメル材を使用することで、卓越した耐久性と長寿命を実現しています。

当社のグラスライニング反応機の内部設計圧力は最大1.0MPaに達し、容量オプションは3000リットルから50000リットルまで選択可能です。ジャケット設計の最大圧力は0.6MPaで、タンク本体とジャケットはともに-20℃から200℃の温度範囲で安全に運転できます。

仕様
設計圧力 内部 パッキンシール 0.2MPa
メカニカルシール 0.4MPa/1.0MPa
ジャケット 0.6MPa
設計温度 内部 -20℃~+200℃
ジャケット -20℃~+200℃
攪拌翼速度 アンカー式、フレーム式 63r/min
パドル式 110r/min~130r/min
インペラー式 110r/min~130r/min
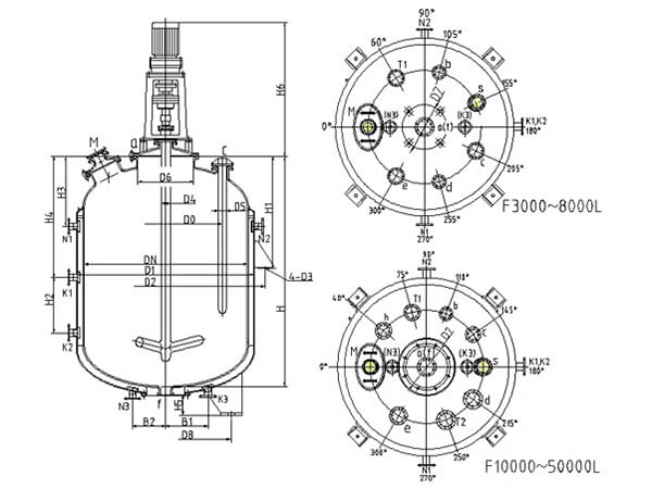
寸法図
寸法図
クローズ型グラスライニング反応機の寸法(mm)
容量 (L) 3000 5000 6300 8000 10000 12500 16000 20000 25000 30000 50000
項目
DN 1600 1600 1750 1750 2000 2200 2400 2400 2400 2600 2800 3200 3400
D0 1120 1220 1220 1220 1400 1540 1680 900 900 975 1050 1200 1500
D1 1750 1750 1900 1900 2200 2400 2600 2550 2550 2750 2950 3350 3600
D2 2029 2029 2200 2200 2502 3744 2940 2812 2812 3060 3335 3866 4378
D3 30 30 30 30 36 36 36 36 36 36 36 36 36
D4 φ95 φ95 φ95 φ95 φ110 φ110 φ110 φ110 φ125 φ140 φ160 φ160 φ180
D5 65×6 65×6 80×6 80×6 95×8 95×8 95×8 95×8 98×8 95×8 110×l2 110×12 125×12
D6 600 600 600 600 800 800 800 800 800 900 1100 1300 2000
D7 450 450 450 450 510 510 510 560 560 650 650 810 940
D8 1300 1300 1400 1400 1505 1645 1785 1785 1785 1925 2065 2345 |
H 2250 3275 2888 3244 3310 3513 3160 3495 3830 4640 5060 4900 6765
H1 1060 1160 1200 1200 1200 1300 1500 1300 1300 1400 1500 1750 2200
H2 / / 800 900 900 950 640 375 600 650 750 600 1700
H3 700 780 750 750 800 1300 1010 900 900 1000 1050 1150 1250
H4 1550 1710 1500 1700 1700 1850 1610 2000 2350 2500 2650 2650 2950
H5 200 200 200 200 355 340 315 315 315 330 250 240 /
H6 1454 1535 1535 1682 1702 1822 1822 1822 1822 2594 2594 2734 3260
B1 540 540 540 540 540 540 540 550 550 550 550 550 550
B2 370 370 370 370 370 370 370 470 470 470 470 470 470
Power (kW) 5.5 7.5 7.5 11 11 18.5 18.5 18.5 22 22 22 30 45
ノズル仕様 (mm)
容量 (L) 3000 5000 6300 8000 10000 12500 16000 20000 25000 30000 50000
項目
DN 1600 1600 1750 1750 2000 2200 2400 2400 2400 2600 2800 3200 3400
a 150 150 150 150 200 200 200 200 200 250 250 250 250
b 100 100 125 125 150 150 150 150 150 200 200 / /
c 125 125 150 150 150 150 150 150 150 150 150 150 150
d 100 100 125 125 150 150 125 250 250 250 250 250 250
e 125 125 150 150 150 125 125 150 150 150 150 150 150
f 125 125 125 125 125 150 150 150 150 150 150 150 200
h / / / / / 150 150 150 150 200 200 200 /
M 300× 400 300× 400 300× 400 300× 400 300× 400 300× 400 300× 400 300× 400 300× 400 300× 400 300× 400 300× 400 300× 400
S 125 125 125 125 125 125 125 150 150 150 150 150 150
T1 100 100 125 125 200 200 200 200 200 200 200 200 250
T2 / / / / 150 150 150 150 150 200 200 200 200
N1-3 65 65 65 65 65 65 65 80 100 100 100 100 100
K1-3 65 65 65 65 65 65 65 65 65 65 65 80 80

グラスライニング機器用部品も提供しております

グラスライニング装置に関するご相談はございますか?

当社は、化学・製薬・産業用途向けの耐食性グラスライニング反応器・貯蔵タンク・カスタムプロセス機器について、豊富な実績に基づく専門的な指導を提供します。

  • 関連製品
  • 他の製品
グラスライニング反応機、オープンタイプ
グラスライニング反応機、オープンタイプ
グラスライニング反応機、クローズタイプ
グラスライニング反応機、クローズタイプ
半割コイル付きグラスライニング反応機
半割コイル付きグラスライニング反応機
グラスライニング貯槽
グラスライニング貯槽
グラスライニング制カラム
グラスライニング制カラム
グラスライニング製熱交換器
グラスライニング製熱交換器
詳しく

オープンタイプのグラスライニング反応機の主要構成要素とその機能は何ですか?

オープンタイプのグラスライニング反応機は、本体・取り外し可能なカバー・シールガスケット・クランプで構成されます。シールガスケットは蓋と本体の密封を、クランプはそれらを強固に固定し、運転時の密閉性と安全性を確保します。

シール方式による設計内圧の差異は何ですか?

内部設計圧力は、シール方式により変化します。パッキンシールでは0.2MPa、機械シールでは0.4MPa、構成によっては1.0MPaまで対応可能です。

グラスライニング反応機のメンテナンス性向上設計は何ですか?

一部のグラスライニング反応機モデルには、迅速開閉式点検口カバーと二重点検口設計が装備されており、点検・保守作業が容易になります。カバー本体には、突合せ溶接フランジ構造が採用されており、接続強度が高まるだけでなく、付属部品の取り付け工程が簡素化され、耐久性と実用性が完璧に融合されています。

伝熱性能:従来型ジャケット vs 半割コイルジャケット

液体媒体を使用する加熱/冷却工程では、半割コイルジャケットが優れた伝熱性能を発揮します。その効果的な面積は従来型ジャケットの約三分の一に過ぎませんが、流量は2〜3倍高くなります。半割コイルジャケットでは、流れが速いため、従来型の設計に見られる熱伝達の不均一やジャケット内部の堆積物の問題を避けることができます。このため、熱が均等に広がり、工程がより効率的かつ安定して運転されます。

反応器が冷却水で運転される際、どのジャケット設計が腐食問題を防ぐのに役立ちますか?

半割コイルジャケットが推奨されます。冷却水には、H⁺やCl⁻などのイオンが含まれており、これが腐食を加速させることがあります。従来型ジャケットでは、堆積物が蓄積され、腐食の影響が悪化する可能性があります。半割コイルジャケットでは、流れが速いため、堆積物を最小限に抑え、壁面の腐食リスクを低減します。

貴社のグラスライニング反応機は、日本への輸出に必要な認証要件を満たしていますか?

はい。当社のグラスライニング反応機は、日本のJIS規格に基準し、欧州連合のCE認証、米国のASME規格、中国のJB規格にも準拠しています。

Jiangsu Gongtang Chemical Equipments Co., Ltd. Jiangsu Gongtang
グラスライニング機器メーカー
リンク
  • 当社について
  • 会社見学
  • 認定証
  • 展示会
  • サービスとサポート
  • プロジェクト事例
  • ビデオ
製品
  • グラスライニング反応機
  • グラスライニング貯槽
  • グラスライニング制カラム
  • グラスライニング製熱交換器
  • グラスライニング・ダブルコーン乾燥機
  • グラスライニング機器の部品
  • 一体化グラスライニング機器
お問合せ
chrisz.jsjjgt@outlook.com
+86-523-89110022
+86-15861003636