Jiangsu Gongtang Chemical Equipments Co., Ltd. Jiangsu Gongtang
  • 
  • ホーム
  • 当社について+
    • 会社紹介
    • 会社見学
    • 認定証
    • 展示会
  • 製品+
  • サービスとサポート
  • 産業
  • プロジェクト事例
  • お問合せ
  • ビデオ
  • ホーム
  • 製品
  • グラスライニング貯槽
  • 縦型グラスライニング貯槽、クローズタイプ
縦型グラスライニング貯槽、クローズタイプ
  • 縦型グラスライニング貯槽、クローズタイプ
  • 縦型グラスライニング貯槽、クローズタイプ
    グラスライニング貯槽(高支持脚付き)
  • 縦型グラスライニング貯槽、クローズタイプ
    大型120,000Lグラスライニング貯蔵タンク(ガードレール付き)

縦型グラスライニング貯槽、クローズタイプ

腐食に強い貯蔵容器(蓋と本体が完全溶接により一体化タイプ)

当社のクローズタイプ縦型グラスライニング貯蔵タンクは、標準容量3000Lから50,000Lまで幅広く対応しております。また、非標準設計も、特定のプロジェクト要求に合わせて製造可能です。

見積もりの請求

グラスライニングタンクの性能は、外部品質と内部品質の両方によって決定されます。いかなる欠陥も、肉眼で確認できるものか微細なものかを問わず、輸送・保管・運転過程で発生する可能性があり、装置故障の原因となり得ます。

グラスライニングタンクの信頼性は、成形、溶接、表面処理など、生産プロセスの各工程を徹底的に管理することにかかっています。

当社のタンクは優れたエナメルコーティングを採用し、鋼材の強度とグラスの保護特性を兼ね備えることで、高い耐久性を保証します。外部品質は目視検査と機器テストにより評価し、生産各段階の細やかな管理が品質の安定性を確保、製品寿命の大幅な延長を実現します。

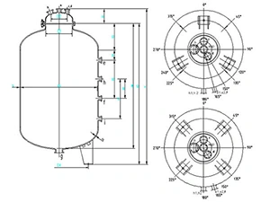
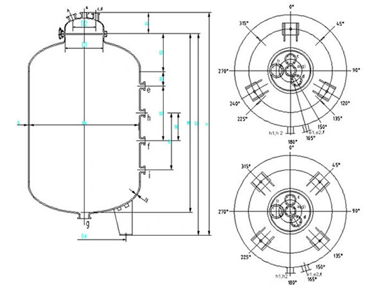
寸法図
寸法図
クローズ型グラスライニング貯槽の寸法
公称容量L DN D1 D2 D3 D4 H H1 H2 H3 H4 H5 H6 H7 H8 S
3000 1600 600 420 30 1200 2740 300 2422 550 115 1000 / / 2220 16
5000 1600 600 420 30 1200 3720 305 3400 520 130 1200 460 1200 3160 16
6300 1750 600 420 30 1225 3924 310 3604 580 130 1200 424 1200 3304 18
8000 2000 700 490 36 1500 3880 340 3520 630 150 1100 500 1100 3280 20
10000 2200 700 490 36 1520 4053 340 3703 692 150 1200 600 1200 3392 20
20000 2600 700 490 36 1820 5540 340 5200 665 150 1800 600 1800 4605 24
30000 2800 700 490 36 1960 6090 340 5750 710 150 1800 600 1800 5510 26
40000 3200 800 480 36 2400 6870 386 6474 965 150 2200 500 2200 6125 28
50000 3400 800 480 36 2720 7500 386 7124 975 150 2600 570 2600 6630 32
ノズル仕様 (mm)
公称容量L a b c d e1-2 h1-2 g
3000 125 65 65 65 65 65 125
5000 125 65 65 65 65 65 125
6300 125 65 65 65 65 65 125
8000 125 80 65 65 80 80 125
10000 125 80 65 65 80 80 125
20000 300×400 100 100 125 100 100 125
30000 300×400 100 100 125 125 125 125
40000 125 150 100 100 125 125 200
50000 125 150 100 100 125 125 200

グラスライニング機器用部品も提供しております

グラスライニング装置に関するご相談はございますか?

当社は、化学・製薬・産業用途向けの耐食性グラスライニング反応器・貯蔵タンク・カスタムプロセス機器について、豊富な実績に基づく専門的な指導を提供します。

  • 関連製品
  • 他の製品
縦型グラスライニング貯槽、オープンタイプ
縦型グラスライニング貯槽、オープンタイプ
縦型グラスライニング貯槽、クローズタイプ
縦型グラスライニング貯槽、クローズタイプ
横型グラスライニング貯槽
横型グラスライニング貯槽
グラスライニング制カラム
グラスライニング制カラム
グラスライニング製熱交換器
グラスライニング製熱交換器
グラスライニング・ダブルコーン乾燥機
グラスライニング・ダブルコーン乾燥機
詳しく
Jiangsu Gongtang Chemical Equipments Co., Ltd. Jiangsu Gongtang
グラスライニング機器メーカー
リンク
  • 当社について
  • 会社見学
  • 認定証
  • 展示会
  • サービスとサポート
  • プロジェクト事例
  • ビデオ
製品
  • グラスライニング反応機
  • グラスライニング貯槽
  • グラスライニング制カラム
  • グラスライニング製熱交換器
  • グラスライニング・ダブルコーン乾燥機
  • グラスライニング機器の部品
  • 一体化グラスライニング機器
お問合せ
chrisz.jsjjgt@outlook.com
+86-523-89110022
+86-15861003636