Jiangsu Gongtang Chemical Equipments Co., Ltd. Jiangsu Gongtang
  • 
  • ホーム
  • 当社について+
    • 会社紹介
    • 会社見学
    • 認定証
    • 展示会
  • 製品+
  • サービスとサポート
  • 産業
  • プロジェクト事例
  • お問合せ
  • ビデオ
  • ホーム
  • 製品
  • グラスライニング貯槽
  • 横型グラスライニング貯槽
横型グラスライニング貯槽
  • 横型グラスライニング貯槽
    横型グラスライニング貯蔵タンク(プラットフォーム・保護柵・階段付き)
  • 横型グラスライニング貯槽
    グラスライニング貯蔵タンク(大口側面開口半割コイル付き)
  • 横型グラスライニング貯槽
    横型ガスライニング貯蔵タンク(加熱蒸発器付き)
  • 横型グラスライニング貯槽
    10000L横型グラスライニング貯蔵タンク
  • 横型グラスライニング貯槽
    グラスライニング貯蔵タンク(保護柵付き)

横型グラスライニング貯槽

腐食性または敏感な物質を保管するための腐食に強い貯蔵容器

化学、製薬、石油化学産業では、時間の経過とともに装置を劣化させる腐食性媒体を扱うことが多く、腐食に対する耐性は容器設計および材料選定の重要な要素となります。そのため、腐食耐性は貯蔵タンクや反応タンクを選定する際にエンジニアが最初に考慮する要素の一つです。適切な材料を選ぶことは、貯蔵タンクの寿命を決定するだけでなく、製品の品質や場合によっては化学反応の結果にも影響を与えます。

見積もりの請求

当社の横型グラスライニングタンクは、腐食性材料を貯蔵する過酷な産業環境での使用を想定して設計されています。外殻は炭素鋼製であり、産業用途に必要な構造強度を提供します。内部にはエナメル層が高温で鋼に融着され、滑らかで化学的に安定した表面を形成します。このエナメルライニングが貯蔵媒体と金属の直接接触を防ぎ、汚染リスクを低減するとともに、タンクの寿命を飛躍的に延長します。

当社では、公称圧力は0.6MPaまで、容量は3,000L〜80,000L、使用媒体温度範囲は0〜150℃のグラスライニング貯槽の提供に対応しています。強度と耐腐食性を兼ね備えた横型グラスライニング貯蔵タンクは、多種多様な腐食性化学薬品を安全に貯蔵し、長期にわたる信頼性の高い性能を維持します。

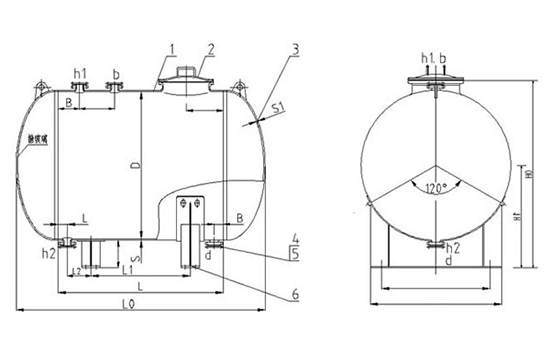
寸法図
寸法図
寸法図
備考:
  • 1. タンク本体
  • 2. グラスライニングマンホール
  • 3. 楕円形ヘッド
  • 4. タイプAグラスライニングノズル
  • 5. ラップジョイントフランジ
  • 6. サドルサポート
横型グラスライニング貯蔵タンク、 3000L-12500L (mm)
公称容量 VN/L L0 L1 L2 L3 L4 H1 H A1 K1 A2 B E F A3
3000 2710 900 310 403 250 1760 1000 1350 1120 200 100 490 100 570
4000 3310 1500 310 403 250 1760 1000 1350 1120 200 100 490 120 550
5000 3265 1240 480 440 250 2080 1200 1430 1180 350 150 300 150 300
6300 4060 1740 580 440 250 1980 1200 1430 1180 350 150 600 150 600
10000 4080 1820 415 550 160 2340 1300 1780 1490 250 150 950 150 950
12500 4800 2740 470 649 260 2340 1300 1780 1490 250 150 950 150 950
ノズル仕様 (mm)
公称容量 L 実容積 L 直径 タンク ヘッド厚さ S1 ノズルの公称直径 (DN) 液面計 長さ×数量
タンク肉厚 s 長さ L 予備ノズル a 予備ノズル b 予備ノズル c 排出口ノズル d 液面計 e1, e2 入口ノズル f 排出口ノズル h プロセスノズル g
3000 3490 1450 14 1550 14 65 125 65 65 65 65 65 600 1000×1
4000 4500 1450 14 2150 14 65 125 65 65 65 65 65 600 1000×1
5000 5680 1600 16 2200 16 100 80 80 65 65 80 80 600 1200×1
6300 7100 1600 16 2900 16 100 65 65 65 65 80 80 600 1200×1
10000 10860 2000 20 2700 20 100 100 150 100 65 100 100 800 1300×1
12500 13921 2000 20 3680 20 100 100 150 100 65 100 100 800 1300×1
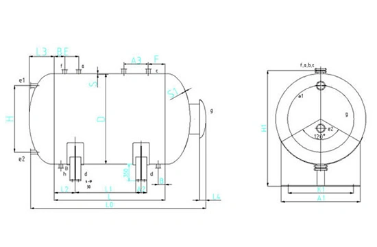
横型グラスライニング貯蔵タンク、 16000L-80000L
公称容量 VN/L 実容積 V/L 直径 D タンク ヘッド厚さ S1 ノズルの公称直径 (DN) L0 L L1 L2 H0 H1
タンク肉厚 S 長さ L 入口 b 予備ノズル d
16000 17756 2200 20 3840 20 150 150 5080 2840 450 142 2900 1470
20000 22330 2400 22 4030 22 150 150 5374 2930 500 140 3110 1572
25000 27790 2800 24 3480 24 150 150 5028 2280 600 238 3510 1774
30000 33300 3000 26 3630 26 150 150 5282 2370 630 236 3720 1876
40000 44000 3200 28 4300 28 200 200 6060 2800 650 234 3900 1978
50000 55000 3400 30 4830 30 200 200 6690 3230 700 232 4100 2080
63000 69000 3600 32 5480 32 200 200 7440 3780 750 230 4300 2182
80000 88000 3800 34 6390 34 200 200 8460 4590 800 228 4500 2284

グラスライニング機器用部品も提供しております

グラスライニング装置に関するご相談はございますか?

当社は、化学・製薬・産業用途向けの耐食性グラスライニング反応器・貯蔵タンク・カスタムプロセス機器について、豊富な実績に基づく専門的な指導を提供します。

  • 関連製品
  • 他の製品
縦型グラスライニング貯槽、オープンタイプ
縦型グラスライニング貯槽、オープンタイプ
縦型グラスライニング貯槽、クローズタイプ
縦型グラスライニング貯槽、クローズタイプ
横型グラスライニング貯槽
横型グラスライニング貯槽
グラスライニング制カラム
グラスライニング制カラム
グラスライニング製熱交換器
グラスライニング製熱交換器
グラスライニング・ダブルコーン乾燥機
グラスライニング・ダブルコーン乾燥機
詳しく
Jiangsu Gongtang Chemical Equipments Co., Ltd. Jiangsu Gongtang
グラスライニング機器メーカー
リンク
  • 当社について
  • 会社見学
  • 認定証
  • 展示会
  • サービスとサポート
  • プロジェクト事例
  • ビデオ
製品
  • グラスライニング反応機
  • グラスライニング貯槽
  • グラスライニング制カラム
  • グラスライニング製熱交換器
  • グラスライニング・ダブルコーン乾燥機
  • グラスライニング機器の部品
  • 一体化グラスライニング機器
お問合せ
chrisz.jsjjgt@outlook.com
+86-523-89110022
+86-15861003636